Craftsman
Generator

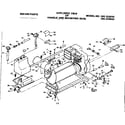
Model #580329640 Official Craftsman portable alternator

Here are the diagrams and repair parts for Craftsman 580329640 portable alternator, as well as links to manuals and error code tables, if available.

There are a couple of ways to find the part or diagram you need:

  • Click a diagram to see the parts shown on that diagram.
  • In the search box below, enter all or part of the part number or the part’s name.

Not all parts are shown on the diagrams—those parts are labeled NI, for “not illustrated”.

We encourage you to save the model to your profile, so it’s easy to access parts and manuals for your appliance whenever you log in.

For DIY troubleshooting advice and repair guides, visit our repair help section.

    Showing 10 of 143 parts

    Generator Twist-Lock Plug

    #NI

    All parts Diagram

    Plug

    Part #43483
    Replaced by #100522GS
    ?
    Manufacturer substitution
    This part replaces 43483. Substitute parts can look different from the original.
    This item is not returnable
    In Stock
    $35.79 | 
    12% OFF 
    Phone Price: $40.79
    Taptite Scrw#18

    Alternator Diagram

    Taptite scrw

    Part #24413

    The manufacturer no longer makes this part, and there's no substitute part

    Lock Washer

    See All Related Diagrams

    Lock washer

    Part #22237

    The manufacturer no longer makes this part, and there's no substitute part

    Cap Screw#4

    Alternator Diagram

    Cap screw

    Part #22336

    The manufacturer no longer makes this part, and there's no substitute part

    Lock Washer

    See All Related Diagrams

    Lock washer

    Part #22152

    The manufacturer no longer makes this part, and there's no substitute part

    Washer#3

    Auxiliary gas tank Diagram

    Washer

    Part #43441

    The manufacturer no longer makes this part, and there's no substitute part

    Hex Nut

    See All Related Diagrams

    Hex nut

    Part #22127

    The manufacturer no longer makes this part, and there's no substitute part

    Washer

    See All Related Diagrams

    Washer

    Part #22145

    The manufacturer no longer makes this part, and there's no substitute part

    Bearing#10

    Alternator Diagram

    Bearing

    Part #24049

    The manufacturer no longer makes this part, and there's no substitute part

    Lock Washer

    See All Related Diagrams

    Lock washer

    Part #22129

    The manufacturer no longer makes this part, and there's no substitute part