Craftsman
Chainsaw

Model #358355120 Official Craftsman gas chainsaw

Here are the diagrams and repair parts for Craftsman 358355120 gas chainsaw, as well as links to manuals and error code tables, if available.

There are a couple of ways to find the part or diagram you need:

  • Click a diagram to see the parts shown on that diagram.
  • In the search box below, enter all or part of the part number or the part’s name.

Not all parts are shown on the diagrams—those parts are labeled NI, for “not illustrated”.

We encourage you to save the model to your profile, so it’s easy to access parts and manuals for your appliance whenever you log in.

For DIY troubleshooting advice and repair guides, visit our repair help section.

Showing 10 of 153 parts

Lawn & Garden Equipment Fuel Line, Large#31

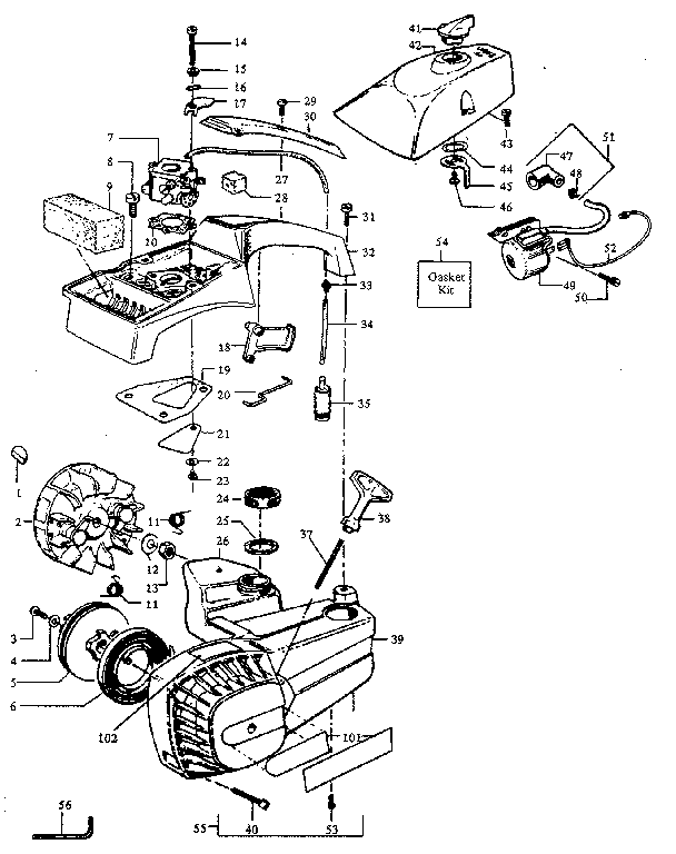
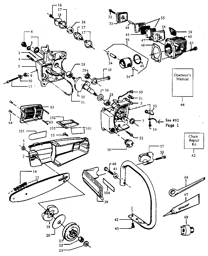
Handle / chain and guide bar assembly Diagram

Oil line

Part #530-021026
Replaced by #530069216
?
Manufacturer substitution
This part replaces 530-021026. Substitute parts can look different from the original.
BEST SELLER
This item is not returnable
In Stock
$4.90 | 
17% OFF 
Phone Price: $5.90
Lawn & Garden Equipment Fuel Line, Large#34

Main frame Diagram

Line kit

Part #530-069216
Replaced by #530069216
?
Manufacturer substitution
This part replaces 530-069216. Substitute parts can look different from the original.
BEST SELLER
This item is not returnable
In Stock
$4.90 | 
17% OFF 
Phone Price: $5.90
Lawn & Garden Equipment Fuel Line, Large#27

Main frame Diagram

Fuel line

Part #530-021025
Replaced by #530069216
?
Manufacturer substitution
This part replaces 530-021025. Substitute parts can look different from the original.
BEST SELLER
This item is not returnable
In Stock
$4.90 | 
17% OFF 
Phone Price: $5.90
Line Trimmer Fuel Tank Cap#24

Main frame Diagram

Fuel cap

Part #530-010729
Replaced by #530014347
?
Manufacturer substitution
This part replaces 530-010729. Substitute parts can look different from the original.
BEST SELLER
In Stock
$7.79 | 
11% OFF 
Phone Price: $8.79
Lawn & Garden Equipment Engine Carburetor Diaphragm and Gasket Kit#29

Carburetor assembly 530-035181 Diagram

Gasket kit

Part #530-035173
Replaced by #530069844
?
Manufacturer substitution
This part replaces 530-035173. Substitute parts can look different from the original.
BEST SELLER
This item is not returnable
In Stock
$14.37 | 
12% OFF 
Phone Price: $16.37
Chainsaw Recoil Starter Rope#37

Main frame Diagram

Rope kit

Part #530-069232
Replaced by #530069232
?
Manufacturer substitution
This part replaces 530-069232. Substitute parts can look different from the original.
BEST SELLER
This item is not returnable
In Stock
$6.49 | 
13% OFF 
Phone Price: $7.49
Lawn & Garden Equipment Engine Carburetor Rebuild Kit#10

Carburetor assembly 530-035181 Diagram

Plug

Part #530-035163
Replaced by #530035161
?
Manufacturer substitution
This part replaces 530-035163. Substitute parts can look different from the original.
BEST SELLER
In Stock
$27.09 | 
16% OFF 
Phone Price: $32.09
Lawn & Garden Equipment Engine Carburetor Rebuild Kit#28

Carburetor assembly 530-035181 Diagram

Repair kit

Part #530-035161
Replaced by #530035161
?
Manufacturer substitution
This part replaces 530-035161. Substitute parts can look different from the original.
BEST SELLER
In Stock
$27.09 | 
16% OFF 
Phone Price: $32.09
Plug#59

Handle / chain and guide bar assembly Diagram

Plug

Part #STD360946

The manufacturer no longer makes this part, and there's no substitute part

Chainsaw Chain, 12-in#14

Handle / chain and guide bar assembly Diagram

Chain

Part #71-3623
Replaced by #91PX045G
?
Manufacturer substitution
This part replaces 71-3623. Substitute parts can look different from the original.
In Stock
$24.26 | 
17% OFF 
Phone Price: $29.26

Articles and videos common to all chainsaws

July 12, 2022

What are the most common replacement parts for chainsaws?

By Lyle Weischwill

Learn about the most common replacement parts for chainsaws and how they can help you fix chainsaw problems.

June 29, 2022

Top questions about Sears and Sears PartsDirect

By Lyle Weischwill

Get answers to frequently asked questions about Sears and Sears PartsDirect.