GE
Countertop Microwave

Model #PEM31EF1ES Official GE microwave

Here are the diagrams and repair parts for GE PEM31EF1ES microwave, as well as links to manuals and error code tables, if available.

There are a couple of ways to find the part or diagram you need:

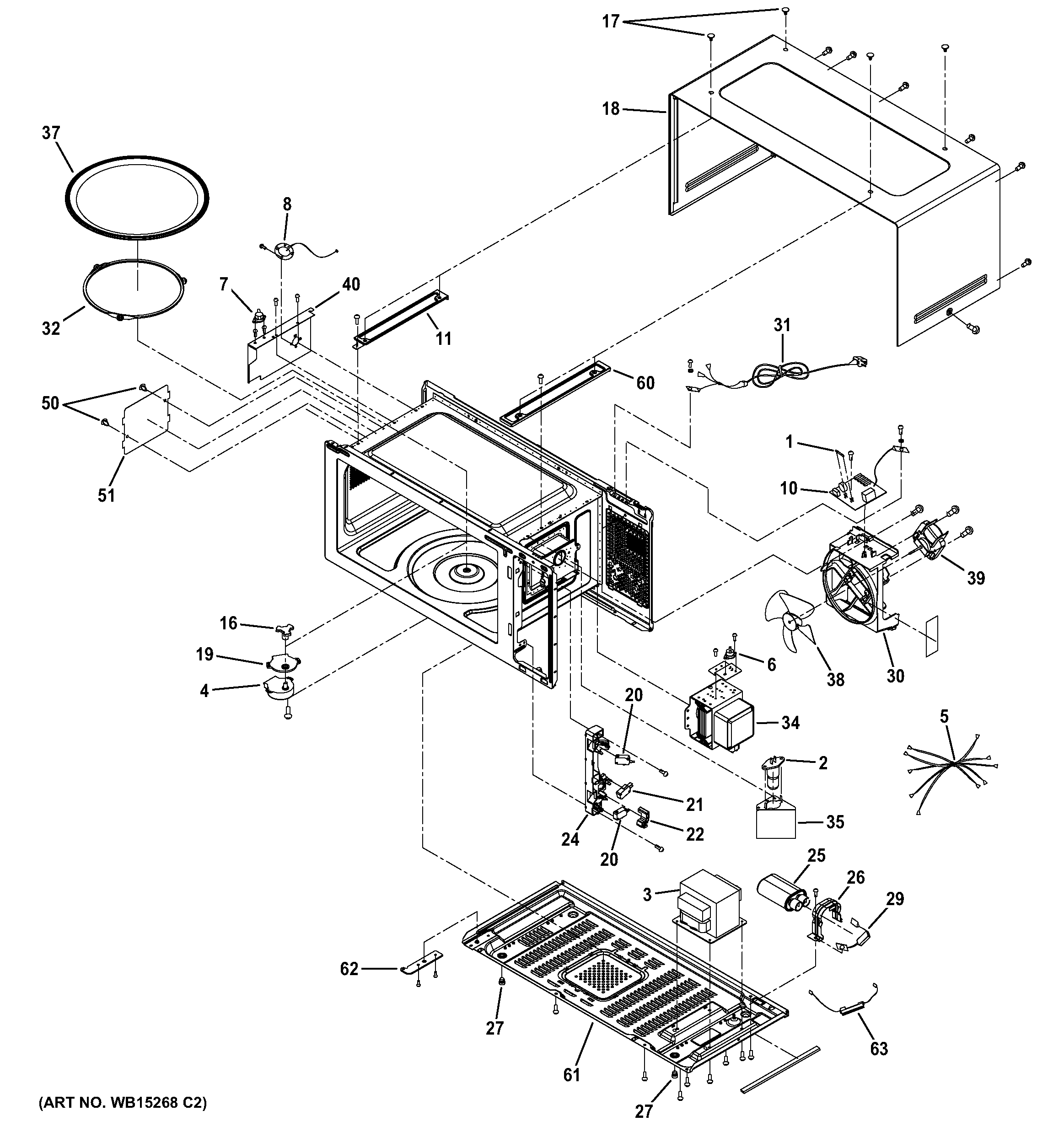
  • Click a diagram to see the parts shown on that diagram.
  • In the search box below, enter all or part of the part number or the part’s name.

Not all parts are shown on the diagrams—those parts are labeled NI, for “not illustrated”.

We encourage you to save the model to your profile, so it’s easy to access parts and manuals for your appliance whenever you log in.

For DIY troubleshooting advice and repair guides, visit our repair help section.

Owner’s manual

Showing 10 of 52 parts

Microwave Waveguide Cover#51

Oven cavity parts Diagram

Microwave waveguide cover

Part #WB39X10034
BEST SELLER
This item is not returnable
In Stock
$7.69 | 
12% OFF 
Phone Price: $8.69
Microwave Door Interlock Switch Bracket#24

Oven cavity parts Diagram

Microwave door interlock switch bracket

Part #WB14X10049
BEST SELLER
In Stock
$29.49 | 
14% OFF 
Phone Price: $34.49
Control Panel#23

Control parts Diagram

Control panel

Part #WB56X26504
In Stock
$150.92
Microwave Door Release Button Spring#54

Control parts Diagram

In Stock
$7.69 | 
12% OFF 
Phone Price: $8.69
Gasket#19

Oven cavity parts Diagram

Gasket

Part #WB35X21305
In Stock
$12.22
Fan Motor#39

Oven cavity parts Diagram

Fan motor

Part #WB26X21315
In Stock
$71.11
Outer Case#18

Oven cavity parts Diagram

Outer case

Part #WB56X21321
In Stock
$137.49
Door Lever#15

Control parts Diagram

Door lever

Part #WB02X21339
In Stock
$7.77
PCB Assembly#57

Control parts Diagram

Pcb assembly

Part #WB27X21308
In Stock
$123.49
Door Assembly#41

Door parts Diagram

Door assembly

Part #WB56X26505
In Stock
$162.03

Articles and videos common to all microwaves

November 12, 2022

5 Holiday Cleaning Tasks Essential to Boosting Your Home’s Image

By Lyle Weischwill

Get tips on completing essential holiday cleaning tasks to brighten your home.

August 19, 2022

Are DIY appliance repairs safe?

By Lyle Weischwill

Find out how to stay safe when repairing your appliances.

August 5, 2022

Introducing new technical repair content that we’re developing for the Sears Technical Institute

By Lyle Weischwill

Learn about Sears Technical Institute and the advanced technical content being developed for aspiring appliance techs.