Craftsman
Automotive

Model #161211740 Official Craftsman inductive timing light

Here are the diagrams and repair parts for Craftsman 161211740 inductive timing light, as well as links to manuals and error code tables, if available.

There are a couple of ways to find the part or diagram you need:

  • Click a diagram to see the parts shown on that diagram.
  • In the search box below, enter all or part of the part number or the part’s name.

Not all parts are shown on the diagrams—those parts are labeled NI, for “not illustrated”.

We encourage you to save the model to your profile, so it’s easy to access parts and manuals for your appliance whenever you log in.

For DIY troubleshooting advice and repair guides, visit our repair help section.

Showing 10 of 12 parts

Owner's Manual

#NI

All parts Diagram

Owner's manual

Part #2-1664

The manufacturer no longer makes this part, and there's no substitute part

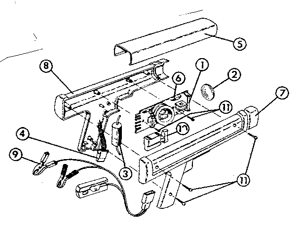
PC Board Assembly#6

Unit Diagram

Pc board assembly

Part #1000-722

The manufacturer no longer makes this part, and there's no substitute part

Screw#11

Unit Diagram

Screw

Part #270-128

The manufacturer no longer makes this part, and there's no substitute part

Case Lf#8

Unit Diagram

Case lf

Part #400-836

The manufacturer no longer makes this part, and there's no substitute part

Cable Assembly#9

Unit Diagram

Cable assembly

Part #38-740

The manufacturer no longer makes this part, and there's no substitute part

Sw/trig#10

Unit Diagram

Sw/trig

Part #700-215

The manufacturer no longer makes this part, and there's no substitute part

Capacitor Ay#3

Unit Diagram

Capacitor ay

Part #1000-751

The manufacturer no longer makes this part, and there's no substitute part

Flash Tube#1

Unit Diagram

Flash tube

Part #600-258

The manufacturer no longer makes this part, and there's no substitute part

Extrusion#5

Unit Diagram

Extrusion

Part #180-735

The manufacturer no longer makes this part, and there's no substitute part

Int/harn Ay#4

Unit Diagram

Int/harn ay

Part #38-750

The manufacturer no longer makes this part, and there's no substitute part