Craftsman
Walk-Behind Mower

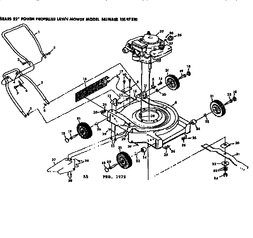
Model #131973111 Official Craftsman 22" power-propelled lawn mower

Here are the diagrams and repair parts for Craftsman 131973111 22" power-propelled lawn mower, as well as links to manuals and error code tables, if available.

There are a couple of ways to find the part or diagram you need:

  • Click a diagram to see the parts shown on that diagram.
  • In the search box below, enter all or part of the part number or the part’s name.

Not all parts are shown on the diagrams—those parts are labeled NI, for “not illustrated”.

We encourage you to save the model to your profile, so it’s easy to access parts and manuals for your appliance whenever you log in.

For DIY troubleshooting advice and repair guides, visit our repair help section.

Showing 10 of 72 parts

Lawn Mower Wheel#21

Mower deck Diagram

Wheel tire

Part #72425
Replaced by #33781
?
Manufacturer substitution
This part replaces 72425. Substitute parts can look different from the original.
In Stock
$13.19 | 
13% OFF 
Phone Price: $15.19
Washer#25

Mower deck Diagram

Washer

Part #STD551037

The manufacturer no longer makes this part, and there's no substitute part

Lawn Mower 22-in Deck Mulching Blade#31

Mower deck Diagram

Blade

Part #69334
Replaced by #406713
?
Manufacturer substitution
This part replaces 69334. Substitute parts can look different from the original.

Get free shipping with Automatic Reorder

In Stock
$14.99
Screw#7

Mower deck Diagram

Screw

Part #78090

The manufacturer no longer makes this part, and there's no substitute part

Lock Nut

See All Related Diagrams

Lock nut

Part #74218

The manufacturer no longer makes this part, and there's no substitute part

Screw#3

Handle assembly Diagram

Screw

Part #75136

The manufacturer no longer makes this part, and there's no substitute part

Lock Nut, #10-24

See All Related Diagrams

Lock nut, #10-24

Part #STD541410

The manufacturer no longer makes this part, and there's no substitute part

Bolt#3

Mower deck Diagram

Bolt

Part #STD523117

The manufacturer no longer makes this part, and there's no substitute part

Chain#35

Handle assembly Diagram

Chain

Part #74789

The manufacturer no longer makes this part, and there's no substitute part

E-Ring#19

Handle assembly Diagram

E-ring

Part #STD581037

The manufacturer no longer makes this part, and there's no substitute part

Articles and videos common to all walk-behind mowers

February 11, 2023

Top 10 electric lawn and garden tools for 2023

By Lyle Weischwill

Learn about the top 10 must-have electric lawn & garden tools for 2023

August 30, 2022

How to enjoy all the online benefits we offer on our Sears PartsDirect website

By Lyle Weischwill

Learn about all the convenient features on our Sears PartsDirect website that make your parts purchases easier.

August 5, 2022

Introducing new technical repair content that we’re developing for the Sears Technical Institute

By Lyle Weischwill

Learn about Sears Technical Institute and the advanced technical content being developed for aspiring appliance techs.