ICP
Air Conditioner

Model #N2A436AKA100 Official ICP air conditioner

Here are the diagrams and repair parts for ICP N2A436AKA100 air conditioner, as well as links to manuals and error code tables, if available.

There are a couple of ways to find the part or diagram you need:

  • Click a diagram to see the parts shown on that diagram.
  • In the search box below, enter all or part of the part number or the part’s name.

Not all parts are shown on the diagrams—those parts are labeled NI, for “not illustrated”.

We encourage you to save the model to your profile, so it’s easy to access parts and manuals for your appliance whenever you log in.

For DIY troubleshooting advice and repair guides, visit our repair help section.

Owner’s manual

Showing 10 of 34 parts

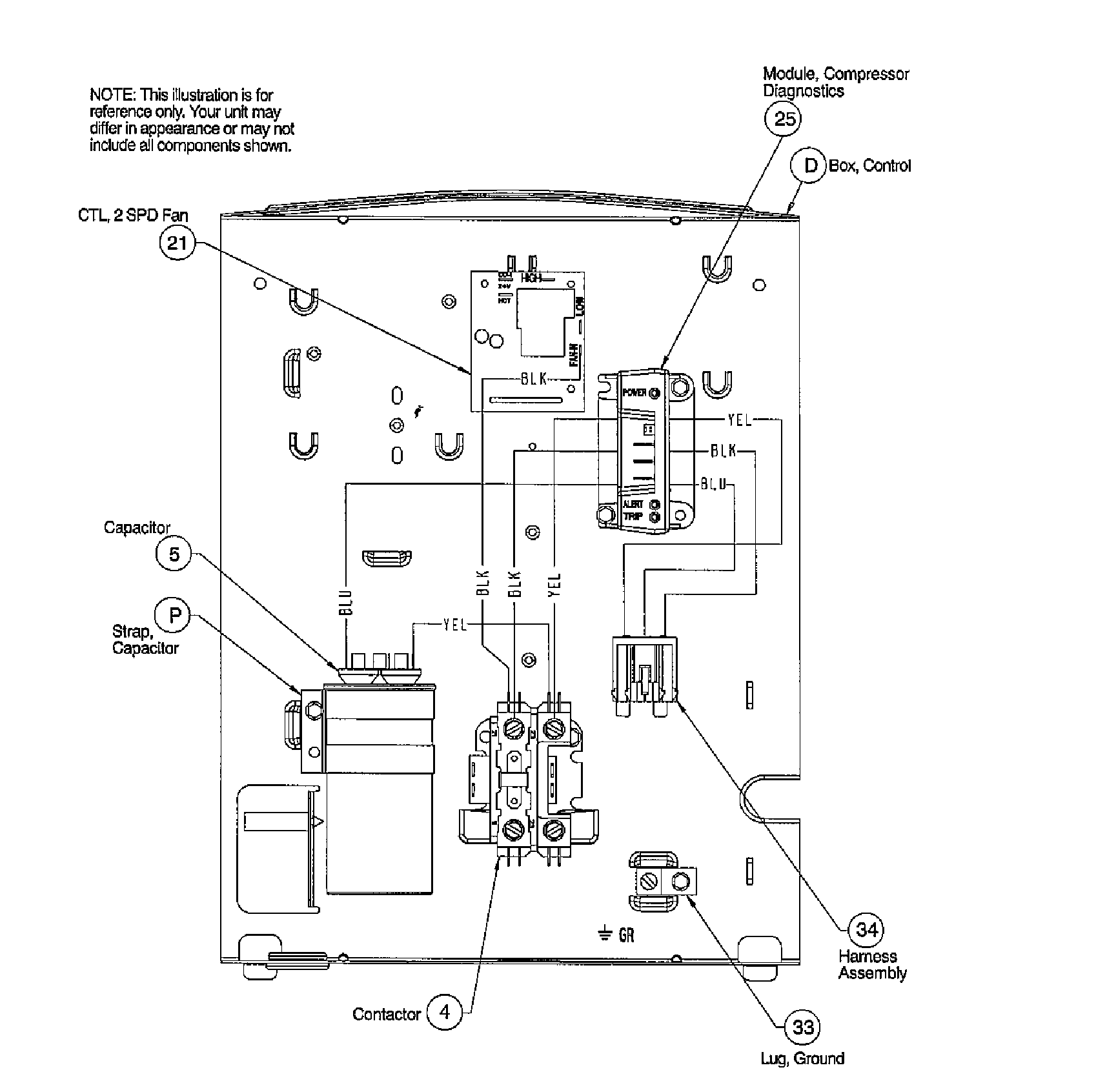
Central Air Conditioner Contactor#4

Control panel Diagram

In Stock
$57.79 | 
8% OFF 
Phone Price: $62.79
Central Air Conditioner Compressor#1

Inner parts Diagram

Compressor

Part #ZR32KAPFV130
Replaced by #ZR32K5-PFV-830
?
Manufacturer substitution
This part replaces ZR32KAPFV130. Substitute parts can look different from the original.
In Stock
$763.97 | 
$10.00 OFF 
Phone Price: $773.97
Clamp#P

Control panel Diagram

Clamp

Part #1172734
This item is not returnable
In Stock
$2.37
Bolt#11

Inner parts Diagram

Bolt

Part #1173630
This item is not returnable
In Stock
$2.37
Lug Ground#33

Control panel Diagram

Lug ground

Part #1172300
This item is not returnable
In Stock
$2.34
Drier#24

Inner parts Diagram

Drier

Part #1172795
In Stock
$60.28
Distributor#20

Inner parts Diagram

Distributor

Part #1173667
In Stock
$28.26
Cap Nut#B

Outer parts Diagram

Cap nut

Part #1172740
This item is not returnable
In Stock
$2.16
Raceway#32

Outer parts Diagram

Raceway

Part #1173664
This item is not returnable
In Stock
$3.14
Box Cover#E

Outer parts Diagram

Box cover

Part #1175056
In Stock
$181.14