Eureka
Upright Vacuum

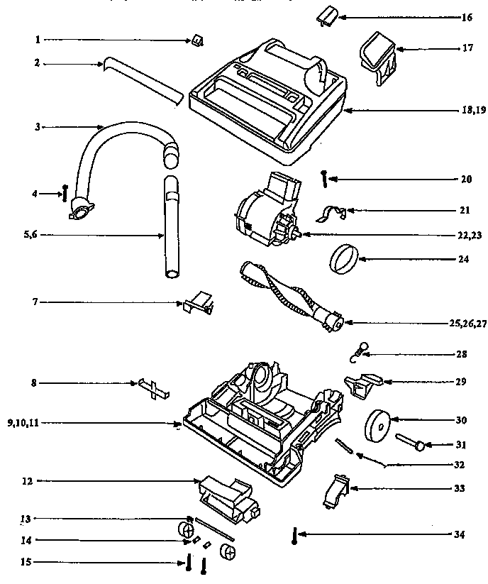
Model #9855BTH Official Eureka vacuum cleaner

Here are the diagrams and repair parts for Eureka 9855BTH vacuum cleaner, as well as links to manuals and error code tables, if available.

There are a couple of ways to find the part or diagram you need:

  • Click a diagram to see the parts shown on that diagram.
  • In the search box below, enter all or part of the part number or the part’s name.

Not all parts are shown on the diagrams—those parts are labeled NI, for “not illustrated”.

We encourage you to save the model to your profile, so it’s easy to access parts and manuals for your appliance whenever you log in.

For DIY troubleshooting advice and repair guides, visit our repair help section.

Showing 10 of 71 parts

Vacuum Wand#4

Attachment parts Diagram

Vacuum wand

Part #14070-3

The manufacturer no longer makes this part, and there's no substitute part

Screw#6

Field assembly Diagram

Screw

Part #53238-38

The manufacturer no longer makes this part, and there's no substitute part

Washer 10pk#12

Field assembly Diagram

Washer 10pk

Part #54811

The manufacturer no longer makes this part, and there's no substitute part

Axle#31

Nozzle and motor assembly Diagram

Axle

Part #38242

The manufacturer no longer makes this part, and there's no substitute part

Vacuum Screw, 10-pack#4

Nozzle and motor assembly Diagram

Vacuum screw, 10-pack

Part #53238-8

The manufacturer no longer makes this part, and there's no substitute part

Slide#8

Nozzle and motor assembly Diagram

Slide

Part #38240-1

The manufacturer no longer makes this part, and there's no substitute part

Vacuum Screw, 10-pack#20

Nozzle and motor assembly Diagram

Vacuum screw, 10-pack

Part #53238-13

The manufacturer no longer makes this part, and there's no substitute part

Handle Release#29

Nozzle and motor assembly Diagram

Handle release

Part #27202A-1

The manufacturer no longer makes this part, and there's no substitute part

Carriag Clip#14

Nozzle and motor assembly Diagram

Carriag clip

Part #54417-1

The manufacturer no longer makes this part, and there's no substitute part

Nut#15

Field assembly Diagram

Nut

Part #54413

The manufacturer no longer makes this part, and there's no substitute part

Symptoms common to all vacuum cleaners

Choose a symptom to see related vacuum cleaner repairs.

Main causes: damaged vacuum hose, clogged motor air filter, bad suction motor
Main causes: broken drive belt, damaged brush roll, tripped brush roll motor overload, bad brush roll motor, wiring failure
Main causes: lack of power, bad power cord, drive motor failure, wiring failure
Main causes: weak suction motor, vacuum bag is full, clog in suction air path, dirty exhaust filter, leaky vacuum hose

Articles and videos common to all vacuum cleaners

Use the advice and tips in these articles and videos to get the most out of your vacuum.

June 29, 2022

Top questions about Sears and Sears PartsDirect

Lyle Weischwill

Get answers to frequently asked questions about Sears and Sears PartsDirect.

January 5, 2015

10 must-have tools for appliance repair

Lyle Weischwill

Come see which tools made our top 10 must-haves for DIY appliance repair.

July 1, 2013

Vacuum common questions

Lyle Weischwill

Find the answers to frequently asked questions about vacuum cleaners.