ICP
Air Handler

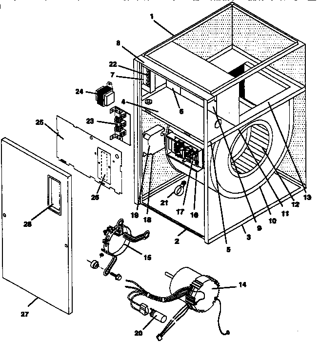
Model #BMV042XKA2 Official ICP blower & air conditioner central

Here are the diagrams and repair parts for ICP BMV042XKA2 blower & air conditioner central, as well as links to manuals and error code tables, if available.

There are a couple of ways to find the part or diagram you need:

  • Click a diagram to see the parts shown on that diagram.
  • In the search box below, enter all or part of the part number or the part’s name.

Not all parts are shown on the diagrams—those parts are labeled NI, for “not illustrated”.

We encourage you to save the model to your profile, so it’s easy to access parts and manuals for your appliance whenever you log in.

For DIY troubleshooting advice and repair guides, visit our repair help section.

Showing 10 of 32 parts

Furnace Blower Fan Wheel (replaces 1009147)#12

Functional replacement parts Diagram

Blower wheel

Part #1009147
Replaced by #1011420
?
Manufacturer substitution
This part replaces 1009147. Substitute parts can look different from the original.
In Stock
$109.20 | 
8% OFF 
Phone Price: $119.20
Panel Cutoff#13

Functional replacement parts Diagram

Panel cutoff

Part #721020008
In Stock
$141.12
Instal Instr

#NI

All parts Diagram

Instal instr

Part #1069135
This item is not returnable
In Stock
$3.49
Terminal Board#22

Functional replacement parts Diagram

Terminal board

Part #1820244
In Stock
$10.82
Terminal Board#23

Functional replacement parts Diagram

Terminal board

Part #1055193
In Stock
$16.09
Cap Varitech#20

Functional replacement parts Diagram

Cap varitech

Part #1064423
In Stock
$127.69
Hngr Blr Kit#11

Functional replacement parts Diagram

Hanger blr

Part #722030042
Replaced by #1095661
?
Manufacturer substitution
This part replaces 722030042. Substitute parts can look different from the original.
In Stock
$12.49
Central Air Conditioner Filter Dryer

#NI

All parts Diagram

Drier

Part #1064507
Replaced by #BFK083S
?
Manufacturer substitution
This part replaces 1064507. Substitute parts can look different from the original.
In Stock
$68.09 | 
7% OFF 
Phone Price: $73.09
Bracket Line#18

Functional replacement parts Diagram

Bracket line

Part #1064327

The manufacturer no longer makes this part, and there's no substitute part

Transformer#24

Functional replacement parts Diagram

Transformer

Part #1054837

The manufacturer no longer makes this part, and there's no substitute part

Articles and videos common to all air handlers

August 5, 2022

Introducing new technical repair content that we’re developing for the Sears Technical Institute

Lyle Weischwill

Learn about Sears Technical Institute and the advanced technical content being developed for aspiring appliance techs.