Kenmore
Carpet Cleaner

Model #10088850 Official Kenmore rug shampooer & floor polisher

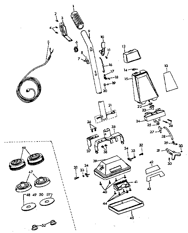
Here are the diagrams and repair parts for Kenmore 10088850 rug shampooer & floor polisher, as well as links to manuals and error code tables, if available.

There are a couple of ways to find the part or diagram you need:

  • Click a diagram to see the parts shown on that diagram.
  • In the search box below, enter all or part of the part number or the part’s name.

Not all parts are shown on the diagrams—those parts are labeled NI, for “not illustrated”.

We encourage you to save the model to your profile, so it’s easy to access parts and manuals for your appliance whenever you log in.

For DIY troubleshooting advice and repair guides, visit our repair help section.

Showing 10 of 112 parts

Connector#16

Internal machine parts Diagram

Connector

Part #03023

The manufacturer no longer makes this part, and there's no substitute part

Nut

See All Related Diagrams

Nut

Part #03077

The manufacturer no longer makes this part, and there's no substitute part

Container#12

External machine parts Diagram

Container

Part #939011G5

The manufacturer no longer makes this part, and there's no substitute part

Package Screw Nut#21

External machine parts Diagram

Package screw nut

Part #939247G2

The manufacturer no longer makes this part, and there's no substitute part

Lvr/blok Asm#10

External machine parts Diagram

Lvr/blok asm

Part #934145G1

The manufacturer no longer makes this part, and there's no substitute part

Rod#16

External machine parts Diagram

Rod

Part #31887P1

The manufacturer no longer makes this part, and there's no substitute part

Screw#40

External machine parts Diagram

Screw

Part #03065

The manufacturer no longer makes this part, and there's no substitute part

Sleeve#25

External machine parts Diagram

Sleeve

Part #37655P1

The manufacturer no longer makes this part, and there's no substitute part

Pad R Butons#52

External machine parts Diagram

Pad r butons

Part #39066P2016

The manufacturer no longer makes this part, and there's no substitute part

Screw#26

External machine parts Diagram

Screw

Part #03433

The manufacturer no longer makes this part, and there's no substitute part