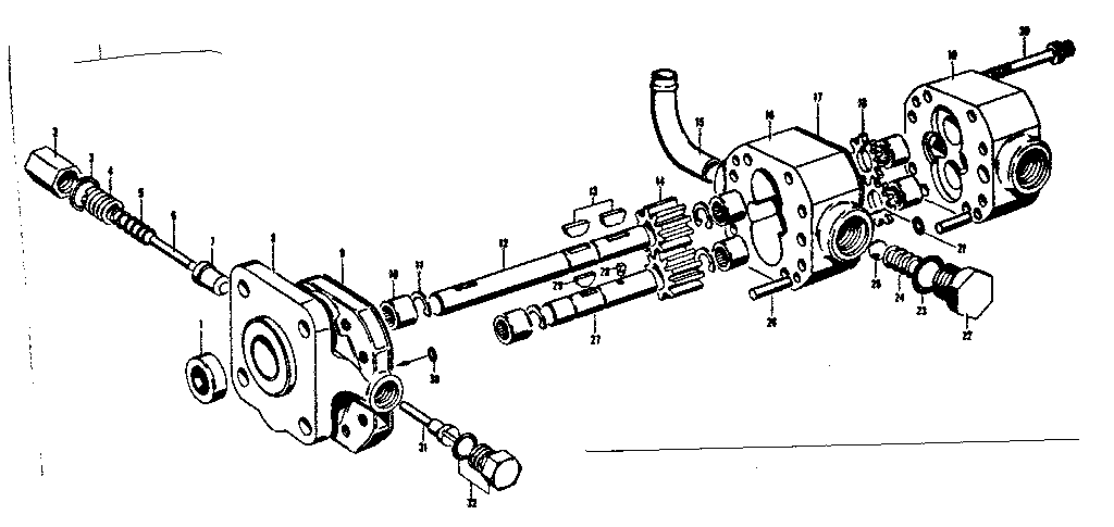
Model #200879 BARNES pump

  • Valve Housing
    3 Results
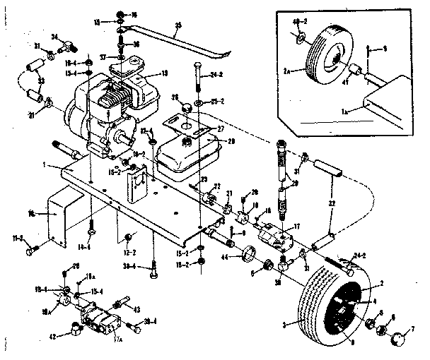
  • Engine Mounting And Wheel Assembly
    3 Results
  • Main Beam Assembly
    3 Results
  • Cylinder Seal Kits, Type Cm
    3 Results
  • Cylinder Seal Kit, Type Ch
    3 Results
  • Barnes Hi-lo Pump
    3 Results
  • Barnes Pump
    3 Results
  • Mte Hi-lopump
    3 Results