Home
> 12069 TROYBILT Rear Tine, Gas Tiller
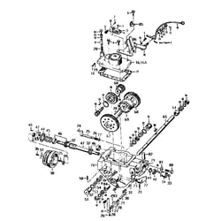
Model # 12069 TROYBILT Rear Tine, Gas Tiller
Add this model to "My Models" for easy access later.
Model #12069 was saved to your profile
You have reached the maximum number of models that can be added to your list. Please Sign In or Register to have unlimited usage
12069
ROTARY TILLER
1307
TROYBILT Rear Tine, Gas Tiller
1508200
Rear Tine, Gas Tiller
Search by part name
Part name is required
Do not enter special characters
Part description must be at least 3 characters